土城大樓法拍
首頁
|
申請房仲網站
|
房子導覽
|
土地導覽
|
法拍屋導覽
|
法拍地導覽
|
廠房導覽
|
房仲導覽
首頁
台北
新北
基隆
宜蘭
花蓮
桃園
新竹
苗栗
台中
南投
彰化
雲林
嘉義
台南
高雄
屏東
澎湖
台東
現在位置:
首頁
›
新北法拍屋
›
土城法拍屋
›
土城大樓法拍-新北市土城區學府路一段115巷8號3樓
最後更新:4天前
檢舉物件不實
|
列印
|
物件諮詢
|
物件地圖
新北大樓
土城大樓
房子基本資料
案名
土城區學府路一段115巷8號3樓【香格里拉二期】
案號
113木192375
地址
新北市土城區學府路一段115巷8號3樓
社區/大樓
香格里拉二期
銷售狀態
待標中
售價
售1886萬
售1510萬
房子類型
法拍大樓
總登記坪數
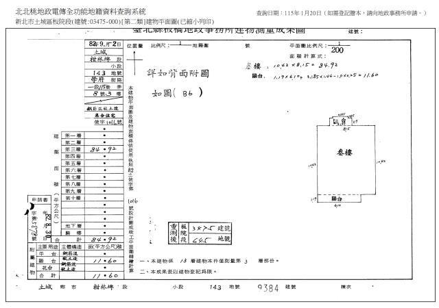
34.19 坪
格局
0房
屋齡
33年
每坪單價
44.16萬/坪
公設比
車位
法拍屋
本物件是法拍屋
拍次 : 3
開標日期 : 115/05/06(三) 下午14:30
建物所在樓層
3樓/共13樓
管理費
管委會
中庭
電梯
有
是否為凶宅
不是
300公尺內嫌惡設施
面前道路
面寬
縱深
邊間
房子銷售來源
不動產經紀人/專業仲介
房子特色
▌地址
新北市土城區學府路一段115巷8號3樓
▌公告內容
辦理法院|新北
案號|113木192375
拍賣時間|115/05/06(三)下午14:30
拍次|3拍
點交否|點交
▌拍賣情況
拍賣中
▌產權資料
社區名|香格里拉二期
類型|大樓
樓層|3/13
屋齡|33
權狀坪|34.19
室內坪|31.38
公設坪|5
土地坪|5.3
增建坪|2.19
車位|
車位坪|
▌拍賣資料
拍賣底價|1510萬元
保證金|302萬元
單價/坪|44.2萬元
標別|
▌預估拍次
一拍價格|2356萬元|68.9萬/坪
預估二拍|1886萬元|55.2萬/坪
預估三拍|1510.0萬元|44.2萬/坪
預估應買|1510.0萬元|44.2萬/坪
預估四拍|1208萬元|35.3萬/坪
▌法院筆錄
1‧拍賣標的經本院現場查封履勘時,債務人在場並表示:建物為其與家人自住使用、無車位等語。本件除拍賣應有部分部分不點交外,建物部分點交。
2‧5737建號建物係未辦保存登記之增建物,拍定人無法持本院核發之權利移轉證書辦理所有權登記,且需承擔被拆除之風險,日後不得因面積不符,主張增減價金或請求撤銷拍賣,請應買人注意。
3‧依新北市政府違章建築拆除大隊114年3月20日函文所載,有關本件增建涉及違章建築部分,業已認定在案,並拍照建檔列管,請應買人注意。
4‧本件標的經函詢新北市政府工務局,該局表示截至114年3月6日止,新北市海砂屋申請報備案件清冊中尚無本件標的之申請資料,故本件標的是否為海砂屋,建請洽專業機構人員辦理相關鑑定為宜,特別請應買人自行查明注意。
5‧關於海砂屋及輻射屋之判定、建物是否受地震受創、火災受損、嚴重漏水,均須由相關權利人請相關單位鑑定,另建物是否有非自然死亡之情形,其實際情形亦須由相關權利人查詢當地管轄派出所,並以專業鑑定機構及相關公部門發佈為主。是本註記僅供參考,並請應買人於投標或應買前均自行查明確認上情,再為投標或應買。
6‧本件標的物原所有權人或使用人如有積欠工程受益費、水電、瓦斯、管理費等相關費用,應由拍定人自行查明後與相關單位洽商解決。
7‧本件標的土地如經地政機關實施重測或其他行為致面積增減,因該重測並無增減私權效力,是重測前後土地之同一性及其實體私權關係並未變更,其面積以重測結果為準,拍定後債權人、債務人、拍定人或其他利害關係人均不得以面積增減請求增減價金或撤銷拍定。
8‧本件若於拍定前,已有債權人之撤回狀送達本院而生撤回效力或有其他應停止執行或法定應撤銷之事由者,惟因公文遞送流程之故無法即時審查,本院仍得於拍定後撤銷拍定,保證金無息退還,拍定人不得異議。
9‧刊登於網站之公告內容如與本院公告欄張貼之公告內容不符時,一律以本院公告欄張貼之拍賣公告內容為準。
《履行契約》
法拍代標專家TORO|18年法拍屋經驗,專業代標、合法透明、成功率高
✅專欄人物-黃瑋諭
在法拍市場中,資訊不對稱、法律風險、投標策略失誤,往往讓投資人錯失良機,甚至承擔不必要的風險。
選擇一位真正專精法拍屋的代標專家,是成功關鍵。
TORO法拍代標|業界口碑第一的法拍屋專家
📮TORO(黃瑋諭),深耕法拍屋市場超過18年,專注於法拍交易、法拍屋投資與代標服務,累積豐富實戰經驗,並以「合法、透明、專業」著稱。
✅TOROESTATE創辦人
法拍屋教學教育資深講師👨🏫
多家媒體、網路專欄不動產分析專家📢
曾參與多件大型企業辦公室、豪宅、廠房之法拍代標案件🏢
不只協助投標,更替客戶控管風險,打造長期穩定的法拍投資策略👑
✅法拍代標實績|累積成交金額突破50億
法拍成交案件數:300+件
累積成交總金額:超過50億元
102年單店成交金額:17億
111年單店成交金額:30億
👉業績來自實力,口碑來自成果。
✅為什麼選擇TORO法拍代標?
✔專業法律顧問全程把關
配合專業律師團隊確保交易合法、安全降低潛在法律風險
✔法拍物件完整調查
產權結構、登記風險全面審查使用狀況、占用與點交可能性分析避免「買到不能住、不能用的法拍屋」
✔客製化投標策略
投標價格精準分析市場行情比對依現場狀況即時調整投標金額
✅TORO法拍代標完整流程
①委託前諮詢
法拍流程完整說明
成本、稅費、銀行貸款分析
投資風險與報酬評估
②委託後分析
預估得標價格
銀行鑑價與融資可行性
現場實地調查
③投標當日
全程陪同或代理投標
現場觀察投標人數
即時判斷投標策略
④成功得標後
銀行撥款與法院流程協助
點交程序與文件處理
協助排除占用、後續出租或轉售規劃
✅法拍代標收費方式(透明公開)
⭕️點交法拍屋:3%
⭕️不點交法拍屋:5%
❌️未得標:完全不收費
👉成功才收費,與客戶站在同一陣線。
✅投標當日必備文件
⭐️投標人身分證公司投標需附法人登記資料
⭐️投標人印章/法人大小章
⭐️投標保證金(拍賣底價20%)
✅台北/新北法拍投標地點與電話
台北地方法院
台北市博愛路131號
📞(02)2314-6871
新北地方法院
新北市土城區青雲路152號6樓
📞(02)2261-6714
士林地方法院
台北市內湖區民權東路六段91號
📞(02)2791-1521
台灣金服公司
台北市大安區忠孝東路四段300號10樓
📞(02)8771-1168
✅聯絡TORO|法拍代標諮詢專線
⭐️0980-758-080
👉一對一諮詢,協助你避開法拍陷阱,精準得標。
坪數說明
建物登記總坪數
34.19
土地登記總坪數
5.3
主建物坪數
34.19
停車位坪數
附屬建物坪數
公共設施坪數
5
增建坪數
2.19
地下室坪數
房子聯絡人資訊
聯絡人姓名
TORO 黃瑋諭
(煩請告知聯絡人,您是在889房子網看到這則廣告,真摯感恩您的幫忙)
Line加入好友
手機
0980-758-080(TORO 黃瑋諭)
所屬公司名稱
鑫創資產管理有限公司
公司電話
0980758080
公司傳真
鑫創資產管理有限公司
公司地址
新北市新莊區中環路二段423號1樓
網址
http://www.toro591.tw
贊助商廣告
新北土城大樓買賣
新北土城大樓法拍-1
新北土城大樓法拍-2
新北土城大樓法拍-3
新北土城大樓法拍-4
新北土城大樓法拍-5
新北土城大樓法拍-6
新北土城大樓法拍-7
物件地圖
到Google查看地圖
到Google查看街景
物件留言
請注意,如果您詢問的內容與物件不相符合或是廣告,經過審核,系統將會直接刪除您的發問內容
檢舉物件不實
黃金曝光
土城學府路一段115
大樓_法拍大樓
34.2坪
售1510萬
樹林保安街二段337
大樓 / 3房
30.93坪
售643萬
永和永貞路10巷14
大樓_法拍大樓
44.67坪
售2445萬
淡水北新路92號6樓
大樓 / 3房
38.47坪
售891萬
相似物件
新店安祥路156巷8
大樓
54.87坪
售1763萬
三重龍濱路3之1號1
大樓
46.31坪
售1335萬
新莊新樹路785號1
大樓 / 2房
32.25坪
售1750萬
淡水淡金路59號8樓
大樓
49.95坪
售1313萬
請注意:此案件已下架
資料處理中,請稍後...