平鎮區透天法拍

房子基本資料
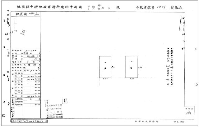
案名平鎮區龍南路244巷1弄23號2層樓 案號113助竹2900
地址桃園市平鎮區龍南路244巷1弄23號2層樓
銷售狀態待標中售價
售628萬售565萬
房子類型法拍透天 總登記坪數25.05 坪
格局屋齡47年
每坪單價22.55萬/坪公設比
車位法拍屋 本物件是法拍屋
拍次 : 第三拍
開標日期 : 115/4/8(三)
建物所在樓層2層樓管理費
管委會中庭
電梯 未知 是否為凶宅
300公尺內嫌惡設施 面前道路
面寬 縱深
邊間房子銷售來源不動產經紀人/專業仲介
房子特色

▲拍賣公告:桃園法院
▲拍賣標的物:桃園市平鎮區龍南路244巷1弄23號2層樓
▲【謄本資料】:
建物登記:總坪數25.05坪[主建坪25.05坪],另增建坪21.33坪
▲【法院筆錄】:
(一)建號現為債務人與其家人自住使用。
(二)執行人員入內觀察房屋一樓廁所天花板有油漆剝落及壁癌。
三樓及四樓(半層)天花板有潮濕黑霉狀況,但未滲水
本件拍定後,依現況點交
▲【生活機能】:
▲【拍次說明】:
標售拍次(目前拍次底價):
第一拍底價:698萬
第二拍底價:628萬
第三拍底價:565萬
拍賣日期:115/4/8(三)
▲台北∣新北∣桃園∣新竹
★Houseinfo:http://www.xn--ogt54mdnjqrqpix.tw/
▲【代標服務】
<過濾案件>追蹤拍賣日期...
<評估案件>投標全場陪同及標價最後建議...
<包辦交屋>與法院協商現住人交屋事項...
<代墊尾款>辦理銀行代墊及投標尾款手續...

※此案件為法拍屋無法看屋,實際狀況以法院筆錄為主。
詳細資訊了解請撥李小姐(02)8260-2416|0986-508652
財欣不動產管理顧份有限公司【統一編號】28306523
坪數說明
建物登記總坪數25.05土地登記總坪數14.88
主建物坪數25.05停車位坪數
附屬建物坪數公共設施坪數
增建坪數21.33地下室坪數
房子聯絡人資訊
聯絡人姓名李小姐
(煩請告知聯絡人,您是在889房子網看到這則廣告,真摯感恩您的幫忙)
Line加入好友 Line加入好友
手機
0986-508-652(李小姐)
所屬公司名稱財欣不動產管理顧問有限公司/統編2830 6053
公司電話聯絡電話:02-82602416 / 0986508652公司傳真
公司地址新北市土城區金城路二段396號11樓/桃園市莊敬路一段346號4樓
網址http://www.精選法拍屋.tw
贊助商廣告
大桃園廠房,大桃園工業地,大桃園工業地廠房
桃園廠房出租,桃園工業地,桃園廠房工業地
買桃園平鎮透天
平鎮透天拍賣-1
平鎮透天拍賣-1
平鎮透天拍賣-2
平鎮透天拍賣-2
平鎮透天拍賣-3
平鎮透天拍賣-3
平鎮透天拍賣-4
平鎮透天拍賣-4
物件地圖
物件留言
請注意,如果您詢問的內容與物件不相符合或是廣告,經過審核,系統將會直接刪除您的發問內容
等待圖示
檢舉物件不實
等待圖示
黃金曝光
相似物件

07-7963288客服電話
本房子網站為租用式開放仲介網站建置平台,僅提供房子仲介會員刊登-平鎮區透天法拍-等房子/土地/廠房/法拍資訊參考,並不涉入任何諮詢、交易。物件(服務)聯絡人公佈的圖文影音資訊若有侵犯智財權或與客戶聯絡交易過程中若衍生民事或刑事等法律問題, 皆與本網站無關。
電話:07-7963288