新北瑞芳公寓法拍

房子基本資料
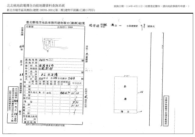
案名新北市瑞芳區永龍新邨12號3樓 案號第二拍115/3/31(二)
地址新北市瑞芳區永龍新邨12號3樓
銷售狀態待標中售價
售340萬售289萬
房子類型法拍公寓 總登記坪數27.59 坪
格局屋齡47年
每坪單價10.47萬/坪公設比
車位法拍屋 本物件是法拍屋
拍次 : 2
開標日期 : 第二拍115/3/31(二)
建物所在樓層管理費
管委會中庭
電梯 沒有 是否為凶宅 不是
300公尺內嫌惡設施 面前道路
面寬 縱深
邊間房子銷售來源不動產經紀人/專業仲介
房子特色
新北市瑞芳區法拍屋|永龍新邨法拍|瑞芳低總價



新北市瑞芳區法拍屋|永龍新邨12號3樓



房屋類型:法拍公寓



所在樓層:3樓/總樓層3樓



屋齡:約47年



格局:依現況



總登記坪數:27.59坪



主建物坪數:25.19坪



附屬建物坪數:2.40坪



土地持分:約11.80坪



建物結構:鋼筋混凝土造



用途:住家用



地址:新北市瑞芳區永龍新邨12號3樓



━━━━━━━━━━━━━━



【拍賣資訊】



第二拍底價:289萬



保證金:約57.8萬



每坪約10.5萬



拍賣日期:2026/03/31



━━━━━━━━━━━━━━



【物件特色】



瑞芳低總價住宅



山城住宅環境清幽



室內空間約25坪



總價300萬內入手門檻低



自住或出租投資皆可



━━━━━━━━━━━━━━



【土地資訊】



土地地號:深澳段140-33地號



土地持分:約39㎡



土地使用分區:山坡地保育區

丙種建築用地



━━━━━━━━━━━━━━



【法院筆錄重點】



建物偶爾由債務人母親居住



現場仍有水電



室內油漆嚴重剝落



木質隔間腐壞



部分牆壁龜裂



水泥塊剝落



屋內留有老舊家具



拍定後依現況點交



━━━━━━━━━━━━━━



【安全調查】



查詢相關機關紀錄



無火災紀錄



無海砂屋紀錄



無輻射屋紀錄



無地震受創紀錄



━━━━━━━━━━━━━━



【拍賣紀錄】



第一拍:340萬(流標)



第二拍:289萬



━━━━━━━━━━━━━━



本案為法院公開標售之法拍物件,物件現況、產權登記、點交條件及拍賣時程等,均以法院正式拍賣公告為準;如遇停拍、撤回、拍定或公告變更,本資訊即自動失效。



法拍貸款分為代墊尾款與一般房貸兩類,與104法拍網長期配合銀行亦可承作點交案件。



━━━━━━━━━━━━━━



【投標諮詢|雙人代標】



林小姐Anna|0986-678-928



黃先生Pitt|0984-508-898



LINE官方名片

https://line.me/ti/p/MJcPvp3nG8



104法拍網法拍服務團隊



雙人代拍|全台專業代標|銀行貸款評估



代標找林小姐,安心又會標~Anna幫你買到家!

坪數說明
建物登記總坪數27.59土地登記總坪數11.80
主建物坪數25.19停車位坪數
附屬建物坪數2.4公共設施坪數
增建坪數地下室坪數
房子聯絡人資訊
聯絡人姓名林宸妍
(煩請告知聯絡人,您是在889房子網看到這則廣告,真摯感恩您的幫忙)
Line加入好友 Line加入好友
手機
0986-678-928(林宸妍)
所屬公司名稱財欣不動產管理顧問有限公司 統編:22857204|合法營業|提供正式發票
公司電話0986678928公司傳真
公司地址桃園市桃園區莊敬路一段346號4F
網址http://www.0986678928.tw
贊助商廣告
桃園廠房,桃園廠房出租,桃園廠房出售
新北法拍屋,新北市法拍屋,新北法院法拍屋
公寓
瑞芳公寓法拍-1
瑞芳公寓法拍-1
瑞芳公寓法拍-2
瑞芳公寓法拍-2
物件留言
請注意,如果您詢問的內容與物件不相符合或是廣告,經過審核,系統將會直接刪除您的發問內容
等待圖示
檢舉物件不實
等待圖示
黃金曝光
相似物件

07-7963288客服電話
本房子網站為租用式開放仲介網站建置平台,僅提供房子仲介會員刊登-新北瑞芳公寓法拍-等房子/土地/廠房/法拍資訊參考,並不涉入任何諮詢、交易。物件(服務)聯絡人公佈的圖文影音資訊若有侵犯智財權或與客戶聯絡交易過程中若衍生民事或刑事等法律問題, 皆與本網站無關。
電話:07-7963288